欢迎进入沧州燕赵环境监测技术服务有限公司官方网站!

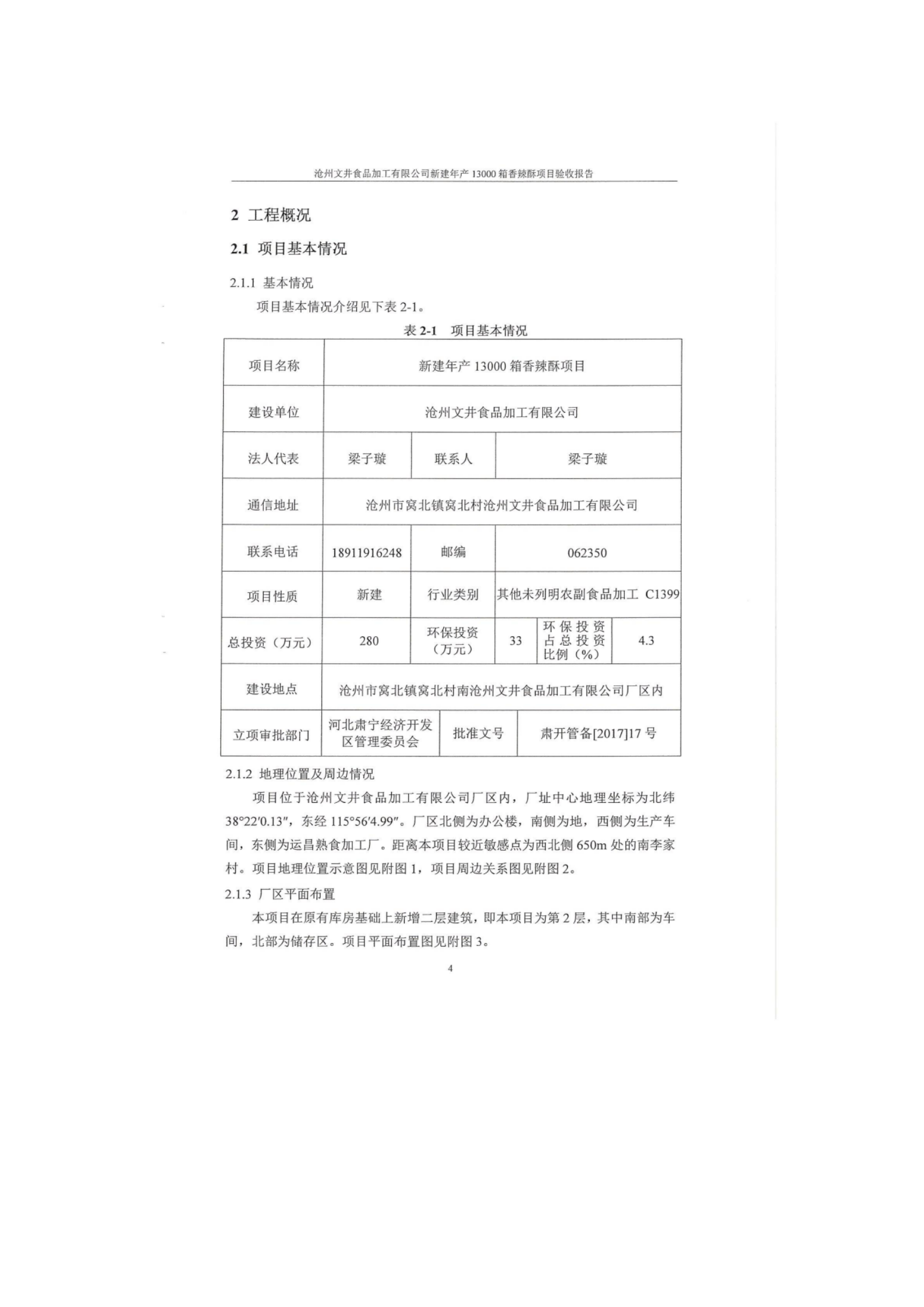
18631777171

技术实力
TECHNOLOGY

联系我们
Contact

企业名称:沧州燕赵环境监测技术服务有限公司

电 话:0317-5203556

手 机:18631777171

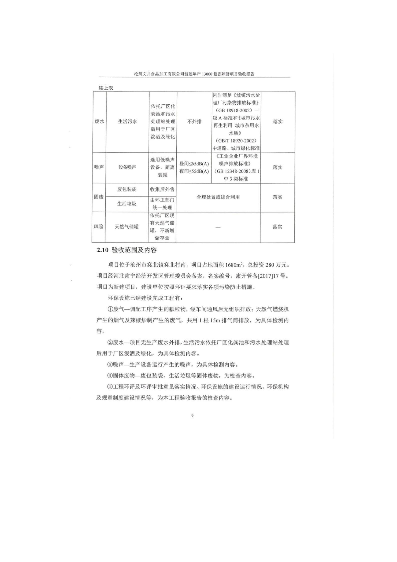
传 真:0317-5203556

邮 编:061000

网 址:www.czyanzhao.com

地 址:河北省沧州市运河区万家街20-1号沧州燕赵环境监测技术服务有限公司生产车间101


您的当前位置:主页 > 新闻中心 > 公司新闻 >

沧州文井食品加工有限公司+验收报告2

发布日期:2018-09-17 11:43:00 作者:

沧州文井食品加工有限公司
年加工13000箱香辣酥项目
竣工环境保护验收报告



底部logo.png

关于我们
新闻资讯
联系我们

沧州燕赵环境监测技术服务有限公司|  All Rights Reserved      邮 编:061000  电 话:0317-5203556  

手 机:18631777171  传 真:0317-5203556      技术支持:15100736227  

原来底部二维码.png