欢迎进入沧州燕赵环境监测技术服务有限公司官方网站!

18631777171

技术实力
TECHNOLOGY

联系我们
Contact

企业名称:沧州燕赵环境监测技术服务有限公司

电 话:0317-5203556

手 机:18631777171

传 真:0317-5203556

邮 编:061000

网 址:www.czyanzhao.com

地 址:河北省沧州市运河区万家街20-1号沧州燕赵环境监测技术服务有限公司生产车间101


您的当前位置:主页 > 新闻中心 > 公司新闻 >

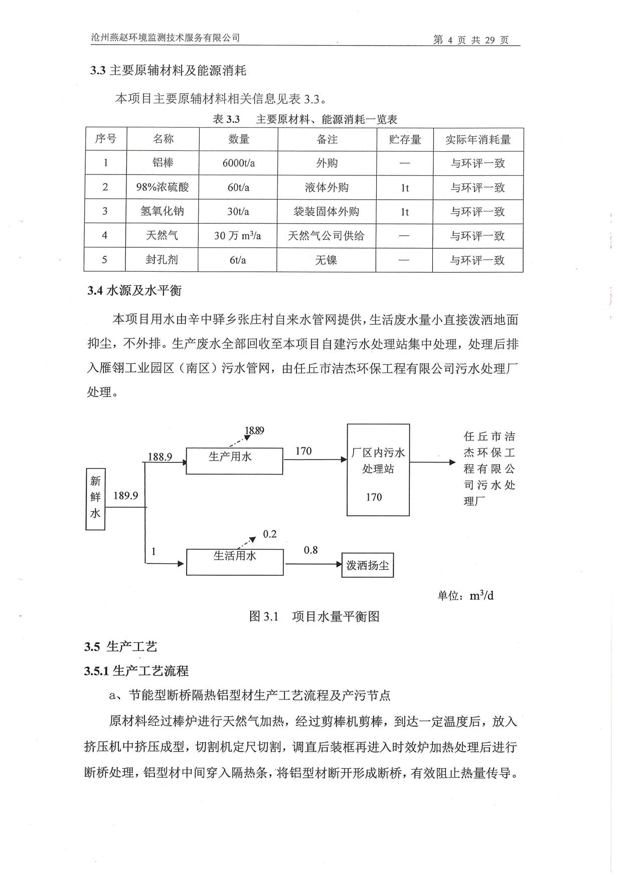
任丘市五环铝业有限公司验收报告

发布日期:2018-03-12 11:21:36 作者:

任丘市五环铝业有限公司
年产节能型断桥隔热铝型材6000吨技改项目竣工环境保护验收报告

沧州燕赵环境监测技术服务有限公司建有满足《检验检测机构资质认定评审准则》要求的管理体系,有保证检测质量的措施,能独立、公正、科学、诚信地开展工业废气检测工作。
目前,我公司正在积极筹备申报高新技术企业,2017年11月已经向国家专利总局提交了7项实用新型专利申请。
本文来源:http://www.czyanzhao.com



底部logo.png

关于我们
新闻资讯
联系我们

沧州燕赵环境监测技术服务有限公司|  All Rights Reserved      邮 编:061000  电 话:0317-5203556  

手 机:18631777171  传 真:0317-5203556      技术支持:15100736227  

原来底部二维码.png